更换
010-68018529
微信号:公众号:中和德汇

新闻资讯

News Information

广东省建设工程标准定额站发布《关于印发广东省建设工程定额动态调整的通知(第29期)》

时间:2024-03-26 来源:德汇 浏览量:506
2024-02-29 09:00:00
                                                                                  粤标定函〔2024〕8号
各有关单位:
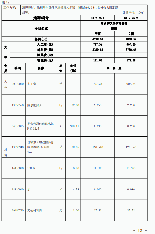
    《建筑与市政工程防水通用规范》GB55030-2022(以下简称为“防水通用规范”)已颁布实施,根据新旧防水规范之间的差异,我站组织专家调整了《广东省城市地下综合管廊工程综合定额 2018》防水项目相关内容,现印发你们。所调整内容与我省现行工程计价依据配套使用,除合同另有约定外,已经合同双方确认的工程造价成果文件不作调整。执行中遇到的问题,请通过“广东省工程造价信息化平台——建设工程定额动态管理系统”及时反映。
                                                       广东省建设工程标准定额站

                 2024年 2月20日